#global.skipToContent# #global.skipToSearch# #global.skipToNav#

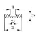
Riel de amarre para aerolínea aluminio L 2998 mm sin taladrar, A 34 mm, Al 9,6 mm

Rieles de amarre Airline Alu L 2998 mm

Tipo 
Mex$ 4482,68
sin incluir 0% IVA , más gastos de envío